
活塞式無油真空泵怎么樣?
無油真空泵系列活塞式真空泵,是一種無需任何油作潤滑既能運轉工作的抽負壓真空泵。它具有結構簡單、操作容易、維護方便、不會污染環境等優點。盛源系列無油真空泵耐用性好,是抽真空,壓縮,兩用真空泵,是一種應用范圍非常廣泛獲得真空的基本設備。
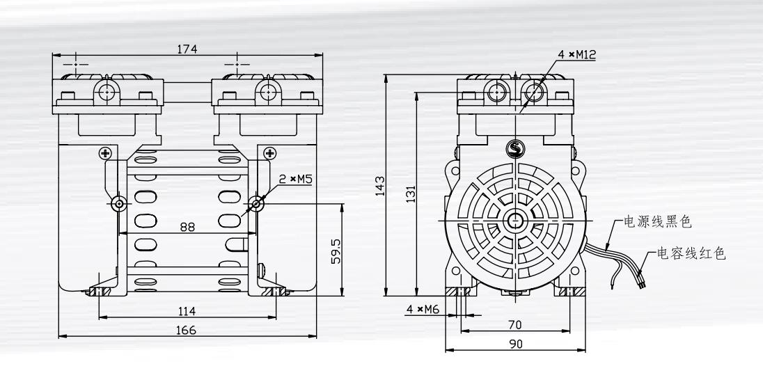
無油活塞式真空泵,是一種抽真空小型真空泵。用來抽除密封容器中的氣體,以獲取真空的基本設備。無油真空泵與油泵相比真空度低,抽氣量小,但體積小巧,易于安裝,維護簡單,移動方便,不產生油煙,不污染環境,尤其在要求較高的實驗室使用較好,也是實驗室常備的設備之一。
這款泵不適用于抽除對黑色金屬有腐蝕的,對泵油起化學反應的,含有顆粒塵埃的氣體,以及含氧過高,有爆炸性的有毒氣體。更不能作為傳輸泵(即從一個容器抽送到另一個容器)使用。這款泵可用于空調,制冷設備的修理,醫療儀器的抽吸裝置,印刷機械,真空包裝,真空吸塑,理化實驗及需要真空環境的小型裝置等各種真空作業用。還可以作為小型的油增壓泵、油擴散泵,分子泵等的前級泵使用。無油真空泵原理無油真空泵的工作原理和一般容積泵相同,由連桿、活塞環、缸體、電機等主要零件組成。帶有活塞環的連桿,安裝在定缸內,當完成一個沖程時,缸槽內四個徑向滑動活塞將泵腔分隔成四個工作室,由于離心力作用,活塞緊貼在缸壁,把定子進排出口分離開來,周而復始運轉,進行變容,將吸入氣體,從排氣口排出,從而達到抽真空的目的。
選購活塞式無油真空泵
在選購無油真空泵時要先確定要求工作的真空度,如果需求的真度高,而選的真空泵就要高于需求的真空度,否則達不到抽真空的要求,就會達不到工作要求。其次是無油真空泵抽氣速率,選型時就要稍大于所需求的抽氣速率,這樣就能更好的滿足需要。Z后看抽取的氣體有無腐蝕性,有腐蝕的氣體會腐蝕泵,必須要用特殊的材質才能滿足需求。